Kupiłem czujnik ciśnienia różnicowego 26PCBFA6D i jestem bardzo zadowolony z jego działania. Używam go do monitorowania ciśnienia w systemie HVAC i działa bardzo precyzyjnie. Wyjście analogowe jest stabilne, co ułatwia integrację z moimi urządzeniami pomiarowymi. Czujnik jest solidnie wykonany i łatwy w montażu. Polecam go każdemu, kto potrzebuje dokładnego i niezawodnego czujnika ciśnienia.
26PCBFA6D czujnik ciśnienia 5psi; wyjście analogowe
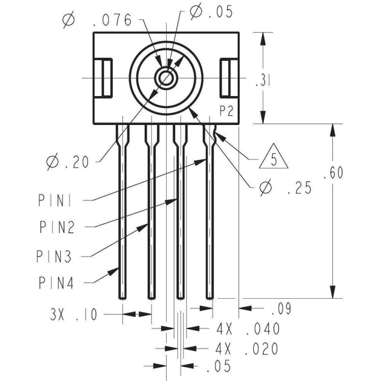
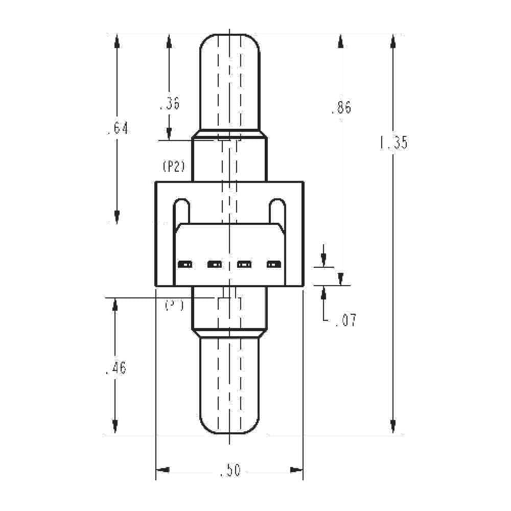
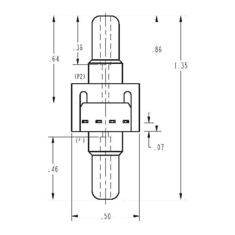
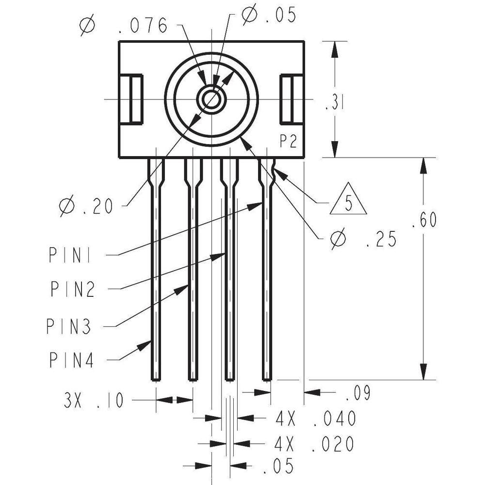
26PCBFA6D identyfikuje czujnik ciśnienia różnicowego firmy Honeywell, zaprojektowany do montażu na płytce drukowanej. Służy on do pomiaru ciśnienia gazów i cieczy w zakresie od -5 psi do 5 psi.
Wystaw opinię o produkcie
97,56 zł
Cena
97,56 zł
Najniższa cena z 30 dni przed obniżką:
97,56 zł
Promocja trwa do %s
120,00 zł
Cena
120,00 zł
Najniższa cena z 30 dni przed obniżką:
120,00 zł
Promocja trwa do %s
brak towaru
Niedostępny
Kod produktu: 26PCBFA6D
Opis produktu
Opis produktu
Różnicowy czujnik ciśnienia z zakresem pomiarowym ±5psi i wyjściem analogowym.
| symbol | 26PBFA6D |
| zakres pomiarowy | ±5psi |
| rodzaj ciśnienia | - próżnia - manometr - mechanizm różnicowy |
| wyjście | analogowe |
| dokładność | 0,25% |
| napięcie zasilające | 10-16VVdc |
| temperatura pracy | -40°C / 85°C |
| montaż | przewlekany |
Pliki do pobrania
Pliki do pobrania
Specyfikacja
Opinie
Opinie
Liczba ocen: 0
Jeśli dodałeś/-aś recenzję, a nie pojawiłą się na liście, być może oczekuje na moderację.
Cebularz